Catálogo / CerrajerÍa / Cerraduras / Cerradura cvl metal 1981

CERRADURA CVL METAL 1981

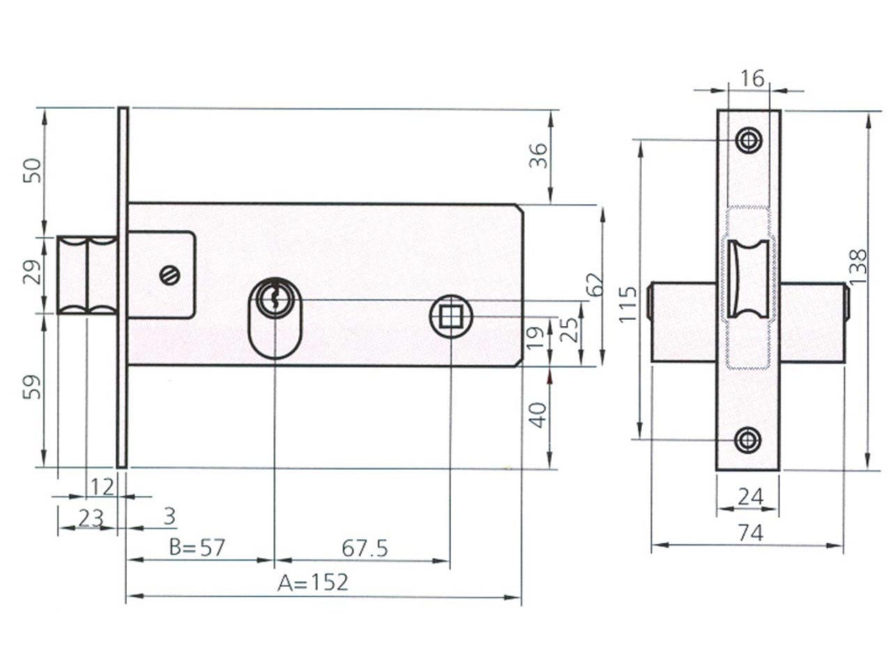
>Picaporte extensible y reversible. Accionamiento extensible con llave. Accionamiento del picaporte con llave y manilla. Cuadradillo de 8mm. Caja y cubierta de hierro zincado.

Código Mod. Acab. A B Cilindro
94181 1981/60/0 HN 152 57 5081/3030/4 caja

atados     bolsa     caja     display     granel     retractilado