Catálogo / CerrajerÍa / Cerraduras / Cerradura jis sobreponer ref. 33

CERRADURA JIS SOBREPONER REF. 33

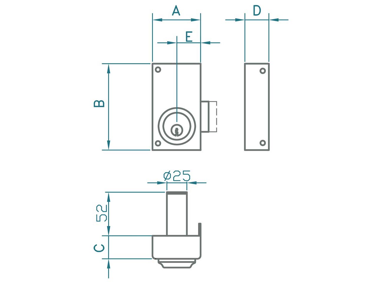
>Cilindro fijo

Código Ref. A B C D E Mano
152805 33-6-I 60 110 28 30 30 Izd caja
152812 33-7-I 70 110 28 30 40 Izd caja
153239 33-6-D 60 110 28 30 30 Dch caja
153246 33-7-D 70 110 28 30 40 Dch caja

atados     bolsa     caja     display     granel     retractilado