Catálogo / CerrajerÍa / Cerraduras / Cerradura jis sobreponer ref. 35

CERRADURA JIS SOBREPONER REF. 35

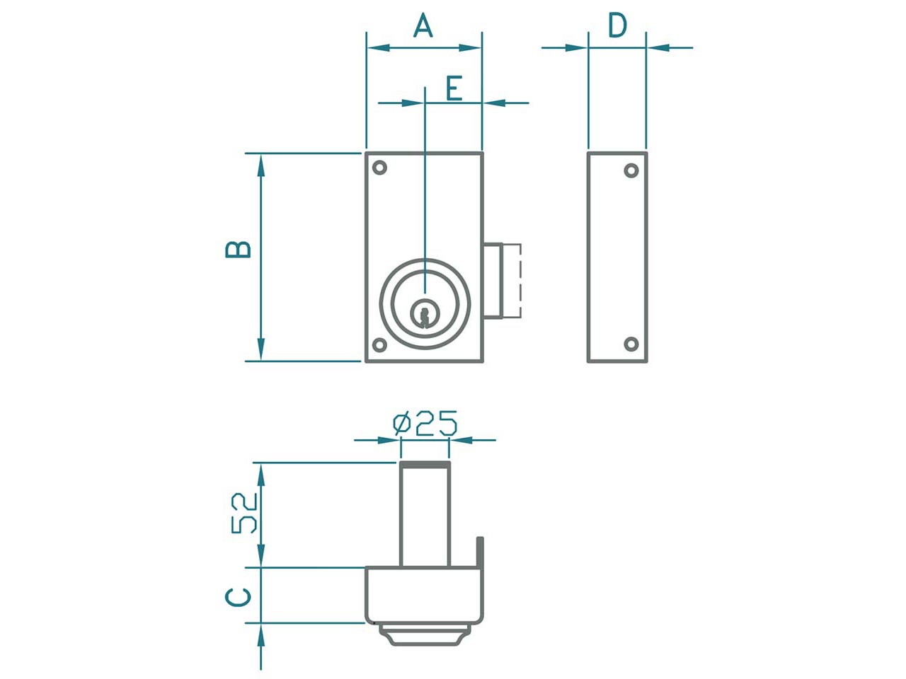
>Cilindro fijo

Código Ref. A B C D E Mano
152843 35-6-I 60 110 28 30 30 Izd caja
152850 35-7-I 70 110 28 30 40 Izd caja
153277 35-6-D 60 110 28 30 30 Dch caja
153284 35-7-D 70 110 28 30 40 Dch caja

atados     bolsa     caja     display     granel     retractilado