Catálogo / CerrajerÍa / Cerraduras / Cerradura mcm metal 1560

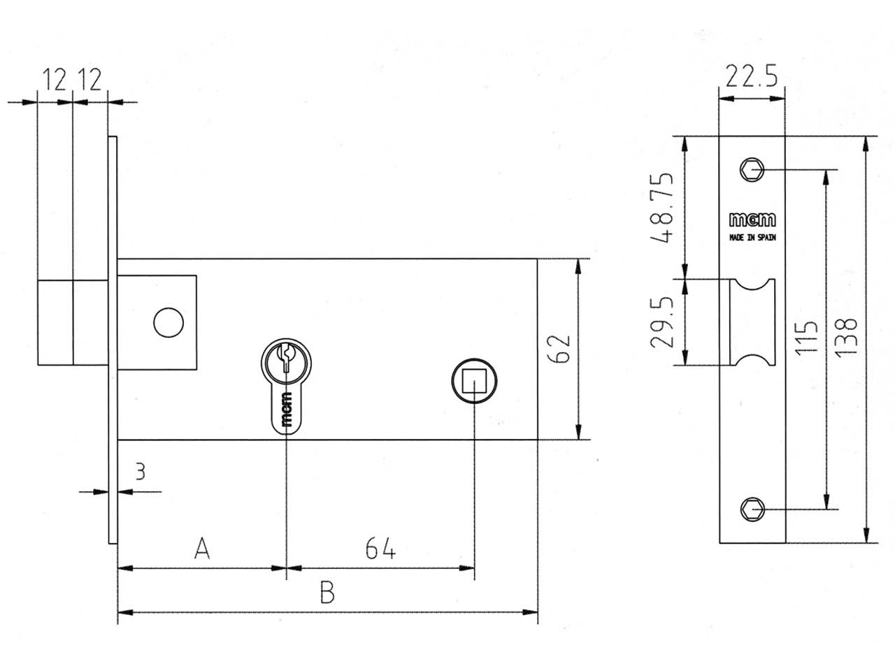
CERRADURA MCM METAL 1560

>Picaporte y palanca en una sola pieza, en la primera vuelta de llave, actua como picaporte y en la segunda como palanca. Cuadradillo reversible de 8mm. Funcionamiento: La palanca con la llave por ambos lados, el picaporte con la manilla o la llave por ambos lados.

Código Referencia Acabado A B Cilindro
92620 1560 A. Inox. 60 136 EN caja
92637 1560 A. Inox. 70 146 EN caja

atados     bolsa     caja     display     granel     retractilado