Catálogo / CerrajerÍa / Cilindros / Cilindro tecon tc6 premontado espadin

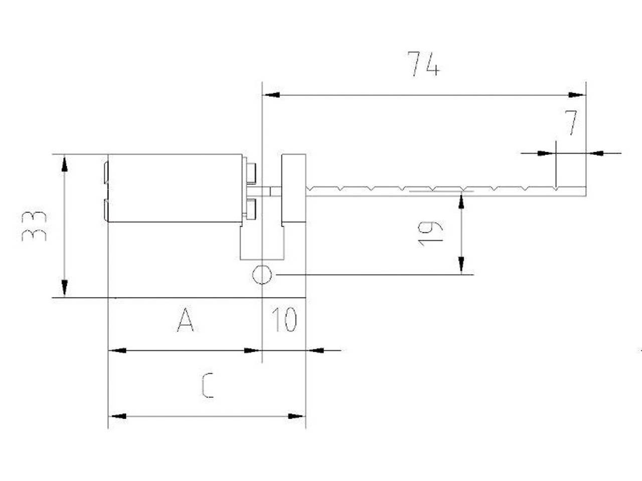
CILINDRO TECON TC6 PREMONTADO ESPADIN

>Cilindros vacios, necesaria manipulación.

Código Ref.
140017 SBTC6E 1035 Esp caja

atados     bolsa     caja     display     granel     retractilado