ESCUDO NEGRO

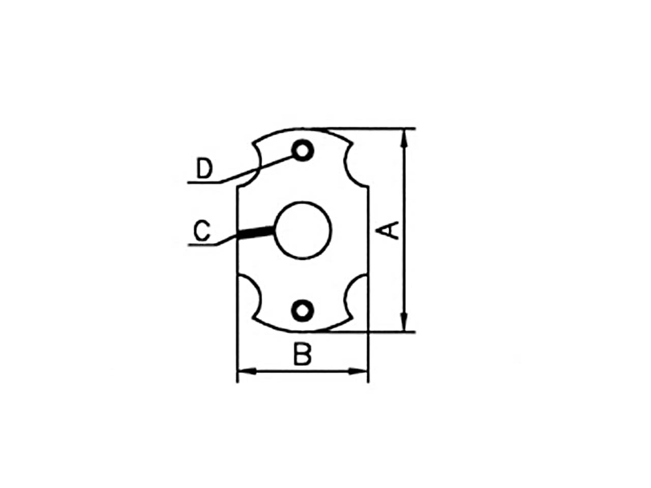
Código Ref. A B C D
121269 97 70 45 2 4 caja

atados     bolsa     caja     display     granel     retractilado